產品展示
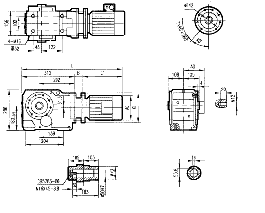
GKA77型斜齒輪弧齒錐齒輪減速電機安裝結構圖尺寸

法蘭聯(lián)接式(Y2標準電機)
|
電機機座號 |
63 |
71 |
80 |
90S |
90L |
100L |
112M |
132S |
132M |
160M |
|
|
AC |
130 |
145 |
175 |
195 |
195 |
215 |
240 |
275 |
275 |
330 |
|
|
AD |
70 |
80 |
145 |
155 |
155 |
180 |
190 |
210 |
210 |
255 |
|
|
B |
44.5 |
50 |
70 |
70 |
70 |
75 |
75 |
96.5 |
96.5 |
125 |
|
|
G |
140 |
160 |
200 |
200 |
200 |
250 |
250 |
300 |
300 |
350 |
|
|
L1 |
207 |
225 |
255 |
270 |
295 |
325 |
340 |
390 |
430 |
505 |
|
|
L |
563.5 |
587 |
637 |
652 |
677 |
712 |
727 |
798.5 |
838.5 |
942 |
|
注:機座132S,132M,160M超過底座.
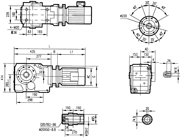
GKA87型斜齒輪弧齒錐齒輪減速電機安裝結構圖尺寸

法蘭聯(lián)接式(Y2標準電機)
|
電機機座號 |
80 |
90S |
90L |
100L |
112M |
132S |
132M |
160M |
160L |
180M |
180L |
|
AC |
175 |
195 |
195 |
215 |
240 |
275 |
275 |
330 |
330 |
380 |
380 |
|
AD |
145 |
155 |
155 |
180 |
190 |
210 |
210 |
255 |
255 |
280 |
280 |
|
B |
70 |
70 |
70 |
82 |
82 |
92 |
92 |
130 |
130 |
130 |
130 |
|
G |
200 |
200 |
200 |
250 |
250 |
300 |
300 |
350 |
350 |
350 |
350 |
|
L1 |
255 |
270 |
295 |
325 |
340 |
390 |
430 |
505 |
560 |
590 |
630 |
|
L |
715 |
730 |
755 |
797 |
812 |
872 |
912 |
1025 |
1080 |
1110 |
1150 |
GKA97型斜齒輪弧齒錐齒輪減速電機安裝結構圖尺寸

法蘭聯(lián)接式(Y2標準電機)
|
電機機座號 |
90S |
90L |
100L |
112M |
132S |
132M |
160M |
160L |
180M |
180L |
200 |
|
AC |
195 |
195 |
215 |
240 |
275 |
275 |
330 |
330 |
380 |
380 |
420 |
|
AD |
155 |
155 |
180 |
190 |
210 |
210 |
255 |
255 |
280 |
280 |
305 |
|
B |
65 |
65 |
81.5 |
81.5 |
92 |
92 |
125 |
125 |
125 |
125 |
152 |
|
G |
200 |
200 |
250 |
250 |
300 |
300 |
350 |
350 |
350 |
350 |
400 |
|
L1 |
270 |
295 |
325 |
340 |
390 |
430 |
505 |
560 |
590 |
630 |
660 |
|
L |
770 |
795 |
841.5 |
856.5 |
917 |
957 |
1065 |
1120 |
1150 |
1190 |
1247 |
GK107型斜齒輪弧齒錐齒輪減速電機安裝結構圖尺寸

法蘭聯(lián)接式(Y2標準電機)
|
電機機座號 |
100L |
112M |
132S |
132M |
160M |
160L |
180M |
180L |
200 |
225S |
225M |
|
AC |
215 |
240 |
275 |
275 |
330 |
330 |
380 |
380 |
420 |
470 |
470 |
|
AD |
180 |
190 |
210 |
210 |
255 |
350 |
280 |
280 |
305 |
335 |
335 |
|
B |
68 |
68 |
106 |
106 |
126 |
126 |
126 |
126 |
140 |
170 |
170 |
|
G |
250 |
250 |
300 |
300 |
350 |
350 |
350 |
350 |
400 |
450 |
450 |
|
L1 |
325 |
340 |
390 |
430 |
505 |
560 |
590 |
630 |
660 |
675 |
705 |
|
L |
930 |
945 |
1033 |
1073 |
1168 |
1223 |
1253 |
1293 |
1337 |
1382 |
1412 |
GKA127型斜齒輪弧齒錐齒輪減速電機安裝結構圖尺寸

法蘭聯(lián)接式(Y2標準電機)
|
電機機座號 |
132M |
160M |
160L |
180M |
180L |
200 |
225S |
225M |
250M |
280S |
280M |
|
AC |
275 |
330 |
330 |
380 |
380 |
420 |
470 |
470 |
510 |
580 |
580 |
|
AD |
210 |
255 |
255 |
280 |
280 |
305 |
335 |
335 |
370 |
410 |
410 |
|
B |
98.5 |
120 |
120 |
120 |
120 |
139 |
169 |
169 |
192.5 |
192.5 |
192.5 |
|
G |
300 |
350 |
350 |
350 |
350 |
400 |
450 |
450 |
550 |
550 |
550 |
|
L1 |
430 |
505 |
560 |
590 |
630 |
660 |
675 |
705 |
770 |
845 |
895 |
|
L |
1143.5 |
1240 |
1295 |
1325 |
1365 |
1414 |
1459 |
1489 |
1577.5 |
1652.5 |
1702.5 |
GKA157型斜齒輪弧齒錐齒輪減速電機安裝結構圖尺寸

法蘭聯(lián)接式(Y2標準電機)
|
電機機座號 |
132M |
160M |
160L |
180M |
180L |
200 |
225S |
225M |
250M |
280S |
280M |
|
AC |
275 |
330 |
330 |
380 |
380 |
420 |
470 |
470 |
510 |
580 |
580 |
|
AD |
210 |
255 |
255 |
280 |
280 |
305 |
335 |
335 |
370 |
410 |
410 |
|
B |
80 |
115 |
115 |
115 |
115 |
160 |
170 |
170 |
192.5 |
192.5 |
192.5 |
|
G |
300 |
350 |
350 |
350 |
350 |
400 |
450 |
450 |
550 |
550 |
550 |
|
L1 |
430 |
505 |
560 |
590 |
630 |
660 |
675 |
705 |
770 |
845 |
895 |
|
L |
1216 |
1326 |
1380 |
1411 |
1451 |
1526 |
1551 |
1581 |
1678.5 |
1743.5 |
1793.5 |
GKAB47型斜齒輪弧齒錐齒輪減速電機安裝結構圖尺寸

法蘭聯(lián)接式(Y2標準電機)
|
電機機座號 |
63 |
71 |
80 |
90S |
90L |
100L |
|
|
|
|
|
AC |
130 |
145 |
175 |
195 |
195 |
215 |
|
|
|
|
|
AD |
70 |
80 |
145 |
155 |
155 |
180 |
|
|
|
|
|
B |
44.5 |
50 |
69 |
69 |
69 |
81 |
|
|
|
|
|
G |
140 |
160 |
200 |
200 |
200 |
250 |
|
|
|
|
|
L1 |
207 |
225 |
255 |
270 |
295 |
325 |
|
|
|
|
|
L |
488.5 |
512 |
561 |
576 |
601 |
643 |
|
|
|
|
注:機座100L超過底座.
GKAB57型斜齒輪弧齒錐齒輪減速電機安裝結構圖尺寸

法蘭聯(lián)接式(Y2標準電機)
|
電機機座號 |
63 |
71 |
80 |
90S |
90L |
100L |
112M |
|
|
|
|
AC |
130 |
145 |
175 |
195 |
195 |
215 |
240 |
|
|
|
|
AD |
70 |
80 |
145 |
155 |
155 |
180 |
190 |
|
|
|
|
B |
44.5 |
50 |
69 |
69 |
69 |
81 |
81 |
|
|
|
|
G |
140 |
160 |
200 |
200 |
200 |
250 |
250 |
|
|
|
|
L1 |
207 |
225 |
255 |
270 |
295 |
325 |
340 |
|
|
|
|
L |
504.5 |
528 |
577 |
592 |
617 |
659 |
674 |
|
|
|
注:機座100L,112M超過底座.
GKAB67型斜齒輪弧齒錐齒輪減速電機安裝結構圖尺寸

法蘭聯(lián)接式(Y2標準電機)
|
電機機座號 |
63 |
71 |
80 |
90S |
90L |
100L |
112M |
132S |
|
|
|
AC |
130 |
145 |
175 |
195 |
195 |
215 |
240 |
275 |
|
|
|
AD |
70 |
80 |
145 |
155 |
155 |
180 |
190 |
210 |
|
|
|
B |
44.5 |
50 |
69 |
69 |
69 |
81 |
81 |
93 |
|
|
|
G |
140 |
160 |
200 |
200 |
200 |
250 |
250 |
300 |
|
|
|
L1 |
207 |
225 |
255 |
270 |
295 |
325 |
340 |
390 |
|
|
|
L |
520.5 |
544 |
593 |
608 |
633 |
675 |
690 |
752 |
|
|
注:機座100L,112M,132S超過底座.
GKA77型斜齒輪弧齒錐齒輪減速電機安裝結構圖尺寸

法蘭聯(lián)接式(Y2標準電機)
|
電機機座號 |
63 |
71 |
80 |
90S |
90L |
100L |
112M |
132S |
132M |
160M |
|
AC |
130 |
145 |
175 |
195 |
195 |
215 |
240 |
275 |
275 |
330 |
|
AD |
70 |
80 |
145 |
155 |
155 |
180 |
190 |
210 |
210 |
255 |
|
B |
44.5 |
50 |
70 |
70 |
70 |
75 |
75 |
96.5 |
96.5 |
125 |
|
G |
140 |
160 |
200 |
200 |
200 |
250 |
250 |
300 |
300 |
350 |
|
L1 |
207 |
225 |
255 |
270 |
295 |
325 |
340 |
390 |
430 |
505 |
|
L |
565.5 |
589 |
639 |
654 |
679 |
714 |
729 |
800.5 |
922 |
944 |
注:機座132S,132M,160M超過底座.
| 頁次:3/10 每頁10條 共91條信息 分頁:[1][2][3][4][5][6][7][8][9][10] |
