Product list產品列表
Customer service在線客服
產品展示
MN系列圓柱蝸桿減速機的參數選型表(電動機功率為3KW)
|
電機功率
(kW) |
輸出轉數
(r/min) |
輸出轉矩
(N·m) |
傳動比
(i) |
使用系數
(fB) |
機型號 |
電機極數 |
重量
(kg) |
|
3 |
4.9
5.6
6.5
6.9 |
4615
4030
3547
3338 |
290.13
251.79
220.11
206.37 |
0.86
0.99
1.12
1.20 |
MN 97MD57
MNA 97MD57
MNF 97MD57
MNAF97MD57 |
4P
4P
4P
4P |
270
265
305
295 |
|
5.1
5.4
5.8
6.1
7.2
7.7
8.2
8.7
9.2
9.7
10
11
11
12
14
15
16
18 |
3773
3559
3366
3192
2738
2582
2442
2314
2198
2091
1994
1903
1820
1706
1512
1428
1352
1207 |
280.00★
262.11★
246.00
231.43
196.58★
184.50
173.57
163.64
154.57
146.25
138.60
131.54
125.00
116.05
100.71
94.09
88.04
77.40 |
1.01
1.07
1.13
1.19
1.39
1.47
1.53
1.58
1.64
1.69
1.76
1.82
1.88
1.95
2.2
2.2
2.2
2.3 |
MN 97
MNA 97
MNF 97
MNAF97 |
4P
4P
4P
4P |
242
237
277
267 | |
|
7.9
8.3
9.6
10 |
2463
2347
2066
1959 |
180.00
170.26
148.00
139.65 |
0.85
0.88
0.99
1.02 |
MN 87
MNA 87
MNF 87
MNAF87 |
4P
4P
4P
4P |
142
140
162
157 | |
|
11
11
12
13
14
14
15
16
17
18
19
20
22
25
26
28
29
31
33
35
37
40
42 |
1860
1770
1687
1610
1500
1427
1360
1298
1240
1186
1112
1159
1099
962
910
863
820
780
743
690
655
622
592 |
132.00
124.96
118.46
112.44
103.84
98.15
92.89
88.00
83.45
79.20
73.33
69.55
65.78
57.18
53.96
51.00
48.28
45.77
43.44
40.12
37.92
35.89
34.00 |
1.06
1.11
1.14
1.18
1.25
1.30
1.36
1.38
1.42
1.46
1.45
1.31
1.38
1.58
1.67
1.76
1.85
1.95
2.0
2.2
2.3
2.4
2.6 |
MN 87
MNA 87
MNF 87
MNAF87 |
4P
4P
4P
4P |
142
140
162
157 | |
|
17
18
19
20
22
23
25
27
29
31
33
36
38
41
44
47
50
53
57
61
67
71
76
81
87
93
100
107
114
130 |
1230
1164
1094
1031
973
920
871
867
817
772
711
668
630
594
557
523
492
464
436
419
385
361
340
320
300
281
263
247
232
204 |
85.22
80.00
74.55
69.57
65.00
60.80
56.92
52.50★
49.32
46.41
42.50
39.77
37.28
35.00
32.61
30.43
28.44
26.60
24.90
23.21
21.25
19.89
18.64
17.50
16.31
15.22
14.22
13.30
12.45
10.94 |
0.85
0.89
0.93
0.96
1.00
1.04
1.08
1.21
1.28
1.35
1.47
1.56
1.66
1.76
1.86
1.94
2.0
2.1
2.2
1.60
1.74
1.87
2.0
2.1
2.3
2.4
2.6
2.8
2.8
3.1 |
MN 77
MNA 77
MNF 77
MNAF77 |
4P
4P
4P
4P |
102
102
112
108 | |
|
42
45
48
51
57
61
66
69
74
79
84
90
96 |
562
529
499
472
422
400
373
370
346
325
305
287
270 |
33.72
31.63
29.70
27.92
24.75
23.33
21.58
20.63★
19.25★
18.00
16.86
15.81
14.85 |
0.81
0.86
0.91
0.97
1.08
1.09
1.12
0.87
0.93
1.00
1.06
1.13
1.20 |
MN 67
MNA 67
MNF 67
MNAF67 |
4P
4P
4P
4P |
72
73
79
78 | |
|
102
115
122
132
141
151
161 |
255
227
215
200
187
175
164 |
13.96
12.38
11.66
10.79
10.08
9.43
8.82 |
1.27
1.42
1.48
1.40
1.45
1.49
1.53 |
MN 67
MNA 67
MNF 67
MNAF67 |
4P
4P
4P
4P |
72
73
79
78 |
MN系列圓柱蝸桿減速機的參數選型表(電動機功率為4KW)
|
電機功率
(kW) |
輸出轉數
(r/min) |
輸出轉矩
(N·m) |
傳動比
(i) |
使用系數
(fB) |
機型號 |
電機極數 |
重量
(kg) |
|
4 |
6.5
7.0 |
4668
4393 |
220
206 |
0.85
0.91 |
MN 97MD57
MNA 97MD57
MNF 97MD57
MNAF97MD57 |
4P
4P
4P
4P |
278
273
313
303 |
|
6.2
7.3
7.8
8.3
8.8
9.3
9.8
10
11
12
12
14
15
16
19
20
21
22
23
25
26 |
4204
3604
3399
3215
3047
2894
2754
2625
2507
2397
2247
1992
1882
1783
1588
1656
1562
1477
1399
1327
1262 |
231.43
196.58★
184.50
173.57
163.64
154.57
146.25
138.60
131.54
125.00
116.05
100.71
94.09
88.04
77.40
73.80
69.43
65.45
61.83
58.50
55.44 |
0.90
1.05
1.12
1.16
1.20
1.25
1.29
1.34
1.38
1.43
1.48
1.64
1.67
1.64
1.73
1.85
2.0
2.1
2.2
2.4
2.5 |
MN 97
MNA 97
MNF 97
MNAF97 |
4P
4P
4P
4P |
250
245
285
275 | |
|
12
12
13
14
15
16
16
17
18
20
21
22
25
27
28
30
31
33
36
38
40
42
45
47
51
55
56 |
2330
2221
2119
1975
1879
1791
1710
1634
1563
1466
1525
1446
1266
1198
1136
1079
1026
977
908
862
819
780
743
709
660
614
611 |
124.96
118.46
112.44
103.84
98.15
92.89
88.00
83.45
79.20
73.33
69.55
65.78
57.18
53.96
51.00
48.28
45.77
43.44
40.12
37.92
35.89
34.00
32.24
30.60
28.33
26.27
25.50 |
0.84
0.87
0.90
0.95
0.99
1.03
1.04
1.08
1.11
1.10
1.00
1.05
1.20
1.27
1.34
1.41
1.48
1.56
1.67
1.76
1.86
1.95
2.0
2.1
2.3
2.5
1.93 |
MN 87
MNA 87
MNF 87
MNAF87 |
4P
4P
4P
4P |
150
148
170
165 | |
|
25
27
29
31
34 |
1149
1140
1075
1016
935 |
56.92
52.50★
49.32
46.41
42.50 |
0.82
0.92
0.97
1.03
1.12 |
MN 77
MNA 77
MNF 77
MNAF77 |
4P
4P
4P
4P |
110
110
120
116 | |
|
36
39
41
44
47
51
54
58
62
68
72
77
82
88
95
101
108
116
132
140
159 |
880
829
782
733
689
648
610
573
551
507
476
447
421
394
369
347
325
305
269
253
224 |
39.77
37.28
35.00
32.61
30.43
28.44
26.60
24.90
23.21
21.25
19.89
18.64
17.50
16.31
15.22
14.22
13.30
12.45
10.94
10.26
9.03 |
1.19
1.26
1.34
1.41
1.48
1.54
1.61
1.69
1.22
1.32
1.42
1.51
1.60
1.71
1.83
1.95
2.1
2.1
2.4
2.4
2.7 |
MN 77
MNA 77
MNF 77
MNAF77 |
4P
4P
4P
4P |
110
110
120
116 | |
|
80
85
91
97
103
116
123
133
143
153
163 |
427
401
377
355
335
299
283
263
246
231
216 |
18.00
16.86
15.81
14.85
13.96
12.38
11.66
10.79
10.08
9.43
8.82 |
0.80
0.81
0.86
0.91
0.96
1.08
1.13
1.07
1.10
1.13
1.16 |
MN 67
MNA 67
MNF 67
MNAF67 |
4P
4P
4P
4P |
80
81
87
86 |
MN系列圓柱蝸桿減速機的參數選型表(電動機功率為5.5KW)
|
電機功率
(kW) |
輸出轉數
(r/min) |
輸出轉矩
(N·m) |
傳動比
(i) |
使用系數
(fB) |
機型號 |
電機極數 |
重量
(kg) |
|
5.5 |
8.8
9.3
9.8
10
11
12
12
14
15
16
19
20
21
22
23
25
26
27
29
31
36 |
4189
3979
3787
3610
3447
3296
3090
2739
2588
2451
2184
2277
2148
2030
1923
1825
1735
1652
1575
1469
1289 |
163.64
154.57
146.25
138.60
131.54
125.00
116.05
100.71
94.09
88.04
77.40
73.80
69.43
65.45
61.83
58.50
55.44
52.62
50.00
46.42
40.29 |
0.87
0.91
0.94
0.97
1.01
1.04
1.08
1.19
1.21
1.19
1.26
1.35
1.46
1.54
1.63
1.72
1.81
1.90
2.0
2.1
2.4 |
MN 97
MNA 97
MNF 97
MNAF97 |
4P
4P
4P
4P |
269
264
304
294 |
|
18
20
21
22
25
27
28
30
31
33
36
38 |
2149
2016
2097
1989
1740
1647
1562
1483
1411
1344
1248
1185 |
79.20
73.33
69.55★
65.78★
57.18
53.96
51.00
48.28
45.77
43.44
40.12
37.92 |
0.80
0.80
0.80
0.82
0.87
0.92
0.97
1.02
1.08
1.13
1.22
1.28 |
MN 87
MNA 87
MNF 87
MNAF87 |
4P
4P
4P
4P |
169
167
189
184 | |
|
40
42
45
47
51
55
56
60
63
66
72
76
85
89
94
102
110
118
127 |
1126
1072
1021
974
907
844
840
797
757
720
668
633
571
543
517
479
445
414
386 |
35.89
34.00
32.24
30.60
28.33
26.27
25.50
24.14
22.88
21.72
20.06
18.96
17.00
16.12
15.30
14.17
13.14
12.20
11.33 |
1.35
1.42
1.49
1.56
1.68
1.80
1.40
1.48
1.56
1.64
1.76
1.86
2.1
2.2
2.3
2.5
2.4
2.3
2.4 |
MN 87
MNA 87
MNF 87
MNAF87 |
4P
4P
4P
4P |
169
167
189
184 | |
|
36
39
41
44
47
51
54
58
62
68
72
77
82
88
95
101
108
116
132
140
159 |
1209
1139
1075
1008
947
891
839
788
758
697
654
615
579
542
508
477
447
419
370
348
308 |
39.77
37.28
35.00
32.61
30.43
28.44
26.60
24.90
23.21★
21.25
19.89
18.64
17.50
16.31
15.22
14.22
13.30
12.45
10.94
10.26
9.03 |
0.86
0.92
0.97
1.03
1.07
1.12
1.17
1.23
0.88
0.96
1.03
1.10
1.16
1.24
1.33
1.42
1.54
1.54
1.72
1.78
1.95 |
MN 77
MNA 77
MNF 77
MNAF77 |
4P
4P
4P
4P |
129
129
139
135 |
MN系列圓柱蝸桿減速機的參數選型表(電動機功率為7.5KW)
|
電機功率
(kW) |
輸出轉數
(r/min) |
輸出轉矩
(N·m) |
傳動比
(i) |
使用系數
(fB) |
機型號 |
電機極數 |
重量
(kg) |
|
7.5 |
14
16
17
19
20
21
22
24
25
26
28
29
31
36
39
41
47
53
55
58
63
72
78 |
3692
3490
3306
2941
3064
2890
2733
2589
2457
2336
2224
2120
1978
1736
1631
1534
1356
1204
1182
1126
1049
917
859 |
100.71
94.09
88.04
77.40
73.80
69.43
65.45
61.83
58.50
55.44
52.62
50.00
46.42
40.29
37.64
35.22
30.96
27.33
26.31
25.00
23.21
20.14
18.82 |
0.89
0.90
0.89
0.94
1.00
1.08
1.15
1.21
1.28
1.34
1.41
1.48
1.58
1.81
1.92
1.98
2.1
2.3
2.1
2.2
2.4
2.7
2.7 |
MN 97
MNA 97
MNF 97
MNAF97 |
4P
4P
4P
4P |
282
277
317
307 |
|
34
36
38
41
43
45
48
52
56
57
60
64
67
73
77
86
91
95
103
111
120
129
139
160 |
1809
1680
1595
1516
1443
1376
1312
1221
1136
1130
1072
1019
969
898
852
768
731
695
645
599
558
520
485
421 |
43.44
40.12
37.92
35.89
34.00
32.24
30.60
28.33
26.27
25.50
24.14
22.88
21.72
20.06
18.96
17.00
16.12
15.30
14.17
13.14
12.20
11.33
10.54
9.13 |
0.84
0.90
0.95
1.00
1.05
1.11
1.16
1.25
1.34
1.04
1.10
1.16
1.22
1.31
1.38
1.53
1.61
1.70
1.83
1.81
1.72
1.79
1.86
2.1 |
MN 87
MNA 87
MNF 87
MNAF87 |
4P
4P
4P
4P |
182
180
202
197 | |
|
51
55
59
63
69
73
78
83
90
96
103
110
117
133
142
162 |
1200
1129
1061
1020
937
880
828
780
729
684
641
601
564
497
468
414 |
28.44
26.60
24.90
23.21★
21.25
19.89
18.64
17.50
16.31
15.22
14.22
13.30
12.45
10.94
10.26
9.03 |
0.83
0.87
0.91
0.80
0.82
0.84
0.86
0.87
0.92
0.99
1.05
1.15
1.15
1.28
1.32
1.45 |
MN 77
MNA 77
MNF 77
MNAF77 |
4P
4P
4P
4P |
142
142
152
148 |
MN系列圓柱蝸桿減速機的參數選型表(電動機功率為11、15、18.5、22KW)
|
電機功率
(kW) |
輸出轉數
(r/min) |
輸出轉矩
(N·m) |
傳動比
(i) |
使用系數
(fB) |
機型號 |
電機極數 |
重量
(kg) |
|
11 |
26
28
29
31
36
39
41
47
53
55
58
63
72
78
83
94
107
114
123 |
3425
3261
3109
2902
2546
2392
2250
1989
1766
1733
1651
1538
1345
1260
1181
1042
924
871
806 |
55.44
52.62
50.00
46.42
40.29
37.64
35.22
30.96
27.33
26.31
25.00
23.21
20.14
18.82
17.61
15.48
13.67
12.86
11.86 |
0.92
0.96
1.01
1.08
1.23
1.31
1.35
1.44
1.54
1.43
1.50
1.61
1.82
1.86
1.87
2.0
2.1
1.93
1.83 |
MN 97
MNA 97
MNF 97
MNAF97 |
4P
4P
4P
4P |
320
315
355
345 |
|
56
57
60
64
67
73
77
86 |
1666
1657
1572
1494
1421
1318
1249
1127 |
26.27
25.50
24.14
22.88
21.72
20.06
18.96
17.00 |
0.91
0.80
0.82
0.84
0.86
0.89
0.94
1.05 |
MN 87
MNA 87
MNF 87
MNAF87 |
4P
4P
4P
4P |
220
218
240
235 | |
|
91
95
103
111
120
129
139
160 |
1072
1019
946
879
818
762
711
618 |
16.12
15.30
14.17
13.14
12.20
11.33
10.54
9.13 |
1.10
1.16
1.25
1.23
1.17
1.22
1.27
1.41 |
MN 87
MNA 87
MNF 87
MNAF87 |
4P
4P
4P
4P |
220
218
240
235 | |
|
15 |
31
36
39
41
47
53
55
58
63
72
78
83
94
107
114
123
156 |
3957
3471
3262
3069
2712
2408
2363
2251
2097
1834
1718
1610
1421
1259
1187
1098
871 |
46.42
40.29
37.64
35.22
30.96
27.33
26.31
25.00
23.21
20.14
18.82
17.61
15.48
13.67
12.86
11.86
9.36 |
0.80
0.90
0.96
0.99
1.05
1.13
1.05
1.10
1.18
1.33
1.37
1.37
1.48
1.54
1.42
1.34
1.42 |
MN 97
MNA 97
MNF 97
MNAF97 |
4P
4P
4P
4P |
339
334
374
364 |
|
95
103
111
120
129
139
160 |
1390
1290
1199
1115
1039
969
843 |
15.30
14.17
13.14
12.20
11.33
10.54
9.13 |
0.85
0.91
0.90
0.86
0.90
0.93
1.04 |
MN 87
MNA 87
MNF 87
MNAF87 |
4P
4P
4P
4P |
239
237
259
254 | |
|
18.5 |
39
41
47
53
55
58
63
72
78
83
94
107
114
123
156 |
3998
3785
3345
2970
2915
2776
2587
2262
2119
1986
1752
1553
1464
1355
1074 |
37.64
35.22
30.96
27.33
26.31
25.00
23.21
20.14
18.82
17.61
15.48
13.67
12.86
11.86
9.36 |
0.80
0.80
0.85
0.92
0.85
0.89
0.95
1.08
1.11
1.11
1.20
1.25
1.15
1.09
1.15 |
MN 97
MNA 97
MNF 97
MNAF97 |
4P
4P
4P
4P |
384
379
419
409 |
|
22 |
54
56
59
63
73
78
83
95
108
114
124
157 |
3509
2896
2758
2570
2247
2105
1973
1741
1543
1455
1346
1067 |
27.33
26.31
25.00
23.21
20.14
18.82
17.61
15.48
13.67
12.86
11.86
9.36 |
0.80
0.85
0.90
0.96
1.09
1.11
1.12
1.21
1.26
1.16
1.09
1.16 |
MN 97
MNA 97
MNF 97
MNAF97 |
4P
4P
4P
4P |
395
390
430
420 |
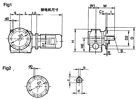
MN系列圓柱蝸桿減速機的安裝尺寸
|
|
|||||||||||||||||||||||||||||||||||||||||||||||||||||||||||||||||||||||||||||||||||||||||||||||||||||||||||||||||||||||||||||||||||||||||||||||||||
MNA系列圓柱蝸桿減速機的安裝尺寸
|
型號 |
安裝尺寸 |
軸伸尺寸 |
外形尺寸 | |||||||||||||||||
|
H0 |
D1 |
Fig |
B0 |
a2
a3 |
do
h |
M2
L5 |
d |
b |
c |
L3 |
L4 |
M1 |
h1
H |
W1
W |
q
L |
D2
D |
A
B |
f4 |
L2 | |
|
MNA37 |
82 |
75 |
1 |
— |
—
— |
—
— |
M6
8 |
20H7 |
6 |
22.8 |
104 |
8 |
M6×16-8.8 |
4.1
131 |
62.5
60 |
63
80 |
90
35 |
112
84 |
3 |
電機尺寸 |
|
MNA47 |
100 |
115 |
1 |
60 |
35
52 |
M10
20 |
M8
12 |
25H7 |
8 |
28.3 |
105 |
17 |
M10×25-8.8 |
9.0
179 |
63
60 |
75
96 |
130
45 |
127
94 |
2.5 | |
|
30H7 |
8 |
33.3 |
105 |
17 |
M10×25-8.8 | |||||||||||||||
|
MNA57 |
112 |
102 |
2 |
60 |
58.5
58.5 |
M10
20 |
M8
12 |
30H7 |
8 |
33.3 |
132 |
17 |
M10×25-8.8 |
21.0
189 |
78
75 |
80
107 |
120
50 |
146
100 |
3 | |
|
35H7 |
10 |
38.3 |
132 |
22 |
M12×30-8.8 | |||||||||||||||
|
MNA67 |
140 |
130 |
1 |
88 |
71.5
80.5 |
M12
25 |
M12
20 |
40H7 |
12 |
43.3 |
144 |
29 |
M16×40-8.8 |
26.3
238 |
87
84 |
107
143 |
155
65 |
182
128 |
3.5 | |
|
45H7 |
14 |
48.8 |
144 |
29 |
M16×40-8.8 | |||||||||||||||
|
MNA77 |
180 |
155 |
3 |
102 |
85
85 |
M16
32 |
M12
20 |
50H7 |
14 |
53.8 |
183 |
32 |
M16×45-8.8 |
40.4
301 |
108
105 |
125
162 |
178
80 |
204
154 |
4 | |
|
60H7 |
18 |
64.4 |
180 |
37 |
M20×50-8.8 | |||||||||||||||
|
MNA87 |
225 |
180 |
3 |
118 |
115
110 |
M16
32 |
M16
26 |
60H7 |
18 |
64.4 |
220 |
36 |
M20×50-8.8 |
39.6
368 |
128
125 |
150
190 |
215
95 |
260
194 |
5 | |
|
70H7 |
20 |
74.9 |
220 |
34 |
M20×50-8.8 | |||||||||||||||
|
MNA97 |
280 |
220 |
3 |
160 |
135
113 |
M20
36 |
M16
26 |
70H7 |
20 |
74.9 |
260 |
34 |
M20×50-8.8 |
59.1
455 |
149
145 |
180
240 |
260
120 |
301
236 |
5 | |
|
90H7 |
25 |
95.4 |
255 |
41 |
M24×60-8.8 | |||||||||||||||
MNAZ系列圓柱蝸桿減速機的安裝尺寸
|
型號 |
安裝尺寸 |
軸伸尺寸 |
外形尺寸 | |||||||||||||||
|
H0 |
D1 |
Fig |
f4
L5 |
h2
h3 |
M2
d1 |
d |
b |
c |
L3 |
L4 |
M1 |
h1
H |
W1
W |
q
L |
D2
D3 |
D
A |
L2 | |
|
MNAZ47 |
100 |
115 |
1 |
8.5
12 |
11
3 |
M8
9 |
25H7 |
8 |
28.3 |
105 |
17 |
M10×25-8.8 |
9.0
179 |
63
60 |
75
96 |
130
95j6 |
45
127 |
電機尺寸 |
|
30H7 |
8 |
33.3 |
105 |
17 |
M10×25-8.8 | |||||||||||||
|
MNAZ57 |
112 |
102 |
2 |
8
12 |
11
3 |
M8
9 |
30H7 |
8 |
33.3 |
132 |
17 |
M10×25-8.8 |
21.0
189 |
78
75 |
80
107 |
120
80j6 |
50
146 | |
|
35H7 |
10 |
38.3 |
132 |
22 |
M12×30-8.8 | |||||||||||||
|
MNAZ67 |
140 |
130 |
1 |
9.5
20 |
13
3.5 |
M12
13.5 |
40H7 |
12 |
43.3 |
144 |
29 |
M16×40-8.8 |
26.3
238 |
87
84 |
107
143 |
155
105j6 |
65
182 | |
|
45H7 |
14 |
48.8 |
144 |
29 |
M16×40-8.8 | |||||||||||||
|
MNAZ77 |
180 |
155 |
3 |
14.5
— |
18.5
4 |
M12
— |
50H7 |
14 |
53.8 |
183 |
32 |
M16×45-8.8 |
40.4
301 |
108
105 |
125
162 |
180
125j6 |
80
204 | |
|
60H7 |
18 |
64.4 |
180 |
37 |
M20×50-8.8 | |||||||||||||
|
MNAZ87 |
225 |
180 |
3 |
18.5
— |
23.5
5 |
M16
— |
60H7 |
18 |
64.4 |
220 |
36 |
M20×50-8.8 |
39.6
368 |
128
125 |
150
190 |
215
150j6 |
95
260 | |
|
70H7 |
20 |
74.9 |
220 |
34 |
M20×50-8.8 | |||||||||||||
|
MNAZ97 |
280 |
220 |
3 |
18.5
— |
23.5
5 |
M16
— |
70H7 |
20 |
74.9 |
260 |
34 |
M20×50-8.8 |
59.1
455 |
149
145 |
180
240 |
260
180j6 |
120
301 | |
|
90H7 |
25 |
95.4 |
255 |
41 |
M24×60-8.8 | |||||||||||||
MNF系列圓柱蝸桿減速機的安裝尺寸
|
型號 |
安裝尺寸 |
軸伸尺寸 |
外形尺寸 | |||||||||||||||||
|
H0 |
D1 |
Fig |
do |
D2 |
R |
d |
l |
b |
c |
S |
L |
C1 |
D |
q |
W1 |
W |
h1 |
H |
L2 | |
|
MNF37 |
82 |
100 |
1 |
6. 6 |
80j6 |
3 |
20k6 |
40 |
6 |
22.5 |
M6 |
80 |
8 |
120 |
63 |
57 |
115 |
4.1 |
131 |
電機尺寸 |
|
130 |
9 |
110j6 |
3.5 |
10 |
160 | |||||||||||||||
|
MNF47 |
100 |
130 |
1 |
9 |
110j6 |
3.5 |
25k6 |
50 |
8 |
28 |
M10 |
96 |
10 |
160 |
75 |
57.5 |
133.5 |
9.0 |
179 | |
|
MNF57 |
112 |
165 |
1 |
11 |
130j6 |
3.5 |
30k6 |
60 |
8 |
33 |
M10 |
107 |
12 |
200 |
80 |
72 |
160 |
21.0 |
189 | |
|
MNF67 |
140 |
165 |
1 |
11 |
130j6 |
3.5 |
35k6 |
70 |
10 |
38 |
M12 |
143 |
12 |
200 |
107 |
80.5 |
190 |
26.3 |
238 | |
|
MNF77 |
180 |
215 |
1 |
13.5 |
180j6 |
4 |
45k6 |
90 |
14 |
48.5 |
M16 |
162 |
15 |
250 |
125 |
121 |
232 |
40.4 |
301 | |
|
MNF87 |
225 |
300 |
1 |
17.5 |
250h6 |
5 |
60m6 |
120 |
18 |
64 |
M20 |
190 |
18 |
350 |
150 |
145 |
290 |
39.6 |
368 | |
|
MNF97 |
280 |
400 |
2 |
17.5 |
350h6 |
5 |
70m6 |
140 |
20 |
74.5 |
M20 |
240 |
22 |
450 |
180 |
165 |
340 |
59.1 |
455 | |
| 頁次:3/4 每頁10條 共34條信息 分頁:[1][2][3][4] |




