Product list產品列表
Customer service在線客服
產品展示

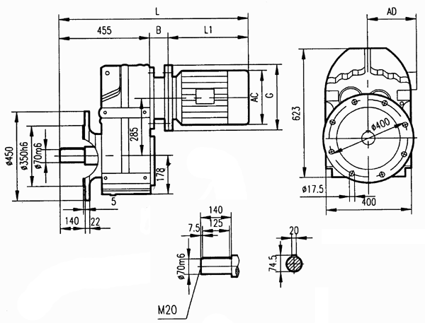
法蘭聯(lián)接式(Y2標準電機)
|

法蘭聯(lián)接式(Y2標準電機)
|
電機機座號 |
100L |
112M |
132S |
132M |
160M |
160L |
180M |
180L |
200 |
225S |
225M |
|
AC |
215 |
240 |
275 |
275 |
330 |
330 |
380 |
380 |
420 |
470 |
470 |
|
AD |
180 |
190 |
210 |
210 |
255 |
255 |
280 |
280 |
305 |
335 |
335 |
|
B |
68 |
68 |
106 |
106 |
126 |
126 |
126 |
126 |
140 |
170 |
170 |
|
G |
250 |
250 |
300 |
300 |
350 |
350 |
350 |
350 |
400 |
450 |
450 |
|
L1 |
325 |
340 |
390 |
430 |
505 |
560 |
590 |
630 |
660 |
675 |
705 |
|
L |
916 |
931 |
1019 |
1059 |
1154 |
1209 |
1239 |
1279 |
1323 |
1368 |
1398 |

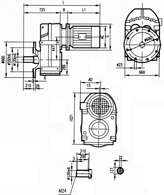
法蘭聯(lián)接式(Y2標準電機)
|
電機機座號 |
132M |
160M |
160L |
180M |
180L |
200 |
225S |
225M |
250M |
280S |
280M |
|
AC |
275 |
330 |
330 |
380 |
380 |
420 |
470 |
470 |
510 |
580 |
580 |
|
AD |
210 |
255 |
255 |
280 |
280 |
305 |
335 |
335 |
370 |
410 |
410 |
|
B |
98.5 |
120 |
120 |
120 |
120 |
139 |
169 |
169 |
192.5 |
192.5 |
192.5 |
|
G |
300 |
350 |
350 |
350 |
350 |
400 |
450 |
450 |
550 |
550 |
550 |
|
L1 |
430 |
505 |
560 |
590 |
630 |
660 |
675 |
705 |
770 |
845 |
895 |
|
L |
1163 |
1254 |
1309 |
1344 |
1384 |
1385 |
1478 |
1508 |
1596.5 |
1671.5 |
1721.5 |

法蘭聯(lián)接式(Y2標準電機)
|
電機機座號 |
160M |
160L |
180M |
180L |
200 |
225 |
225 |
250M |
280S |
280M |
315S |
315M |
|
AC |
330 |
330 |
380 |
380 |
420 |
470 |
470 |
510 |
580 |
580 |
645 |
645 |
|
AD |
255 |
255 |
280 |
280 |
305 |
335 |
335 |
370 |
410 |
410 |
530 |
530 |
|
B |
115 |
115 |
115 |
115 |
160 |
170 |
170 |
192.5 |
192.5 |
192.5 |
260 |
260 |
|
G |
350 |
350 |
350 |
350 |
400 |
450 |
450 |
550 |
550 |
550 |
660 |
660 |
|
L1 |
505 |
560 |
590 |
630 |
660 |
675 |
705 |
770 |
845 |
895 |
1100 |
1130 |
|
L |
1345 |
1400 |
1430 |
1470 |
1545 |
1570 |
1600 |
1687.5 |
1762.5 |
1812.5 |
2085 |
2115 |

法蘭聯(lián)接式(Y2標準電機)
|
電機機座號 |
63 |
71 |
80 |
90S |
90L |
100L |
|
AC |
130 |
145 |
175 |
195 |
195 |
215 |
|
AD |
70 |
80 |
145 |
155 |
155 |
180 |
|
B |
45 |
50.5 |
60.5 |
60.5 |
60.5 |
85.5 |
|
G |
140 |
160 |
200 |
200 |
200 |
250 |
|
L1 |
207 |
225 |
255 |
270 |
295 |
325 |
|
L |
362 |
395.5 |
425.5 |
440.5 |
465.5 |
521.5 |

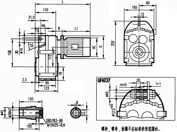
法蘭聯(lián)接式(Y2標準電機)
|
電機機座號 |
63 |
71 |
80 |
90S |
90L |
100L |
|
AC |
130 |
145 |
175 |
195 |
195 |
215 |
|
AD |
70 |
80 |
145 |
155 |
155 |
180 |
|
B |
44.5 |
50 |
69 |
69 |
69 |
81 |
|
G |
140 |
160 |
200 |
200 |
200 |
250 |
|
L1 |
207 |
225 |
255 |
270 |
295 |
325 |
|
L |
385.5 |
408 |
457 |
472 |
492 |
539 |

法蘭聯(lián)接式(Y2標準電機)
|
電機機座號 |
63 |
71 |
80 |
90S |
90L |
100L |
112M |
132S |
|
AC |
130 |
145 |
175 |
195 |
195 |
215 |
240 |
275 |
|
AD |
70 |
80 |
145 |
155 |
155 |
180 |
190 |
210 |
|
B |
44.5 |
50 |
69 |
69 |
69 |
81 |
81 |
93 |
|
G |
140 |
160 |
200 |
200 |
200 |
250 |
250 |
300 |
|
L1 |
207 |
225 |
255 |
270 |
295 |
325 |
340 |
390 |
|
L |
401.5 |
425 |
474 |
489 |
514 |
556 |
571 |
633 |

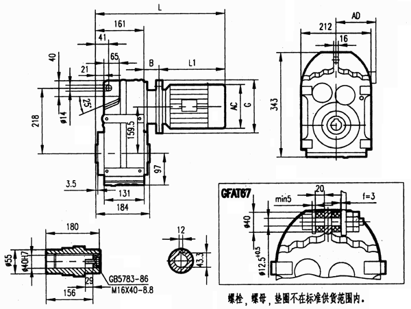
法蘭聯(lián)接式(Y2標準電機)
|
電機機座號 |
63 |
71 |
80 |
90S |
90L |
100L |
112M |
132S |
|
AC |
130 |
145 |
175 |
195 |
195 |
215 |
240 |
275 |
|
AD |
70 |
80 |
145 |
155 |
155 |
180 |
190 |
210 |
|
B |
44.5 |
50 |
69 |
69 |
69 |
81 |
81 |
93 |
|
G |
140 |
160 |
200 |
200 |
200 |
250 |
250 |
300 |
|
L1 |
207 |
225 |
255 |
270 |
295 |
325 |
340 |
390 |
|
L |
412.5 |
436 |
485 |
500 |
525 |
562 |
581 |
644 |

法蘭聯(lián)接式(Y2標準電機)
|
電機機座號 |
63 |
71 |
80 |
90S |
90L |
100L |
112M |
132S |
132M |
160M |
|
AC |
130 |
145 |
175 |
195 |
195 |
215 |
240 |
275 |
275 |
330 |
|
AD |
70 |
80 |
145 |
155 |
155 |
180 |
190 |
210 |
210 |
255 |
|
B |
44.5 |
50 |
70 |
70 |
70 |
75 |
75 |
96.5 |
96.5 |
125 |
|
G |
140 |
160 |
200 |
200 |
200 |
250 |
250 |
300 |
300 |
350 |
|
L1 |
207 |
225 |
255 |
270 |
295 |
325 |
340 |
390 |
430 |
505 |
|
L |
444.5 |
468 |
518 |
533 |
558 |
593 |
608 |
679.5 |
719.5 |
823 |

法蘭聯(lián)接式(Y2標準電機)
|
電機機座號 |
80 |
90S |
90L |
100L |
112M |
132S |
132M |
160M |
160L |
180M |
180L |
|
AC |
175 |
195 |
195 |
215 |
240 |
275 |
275 |
330 |
330 |
380 |
380 |
|
AD |
145 |
155 |
155 |
180 |
190 |
210 |
210 |
255 |
255 |
280 |
280 |
|
B |
70 |
70 |
70 |
82 |
82 |
92 |
92 |
130 |
130 |
130 |
130 |
|
G |
200 |
200 |
200 |
250 |
250 |
300 |
300 |
350 |
350 |
350 |
350 |
|
L1 |
255 |
270 |
295 |
325 |
340 |
390 |
430 |
505 |
560 |
590 |
630 |
|
L |
549 |
564 |
589 |
631 |
646 |
706 |
776 |
859 |
914 |
944 |
984 |
| 頁次:7/9 每頁10條 共89條信息 分頁:[1][2][3][4][5][6][7][8][9] |
